Advies op locatie
Neem contact op voor een afspraak
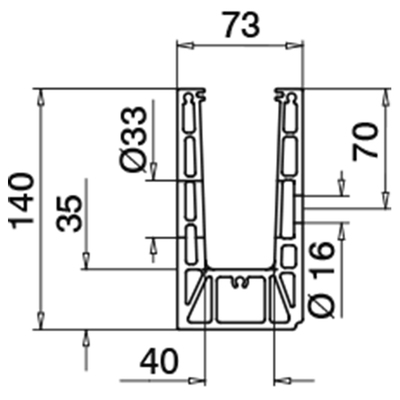
Bent u op zoek naar een glazen balustrade waarin u dikker glas kunt opnemen, bijvoorbeeld voor een groter kantoorpand of hoger gelegen balkon? Hiervoor Easy Glass Prime het juiste systeem. Dit verstelbare systeem is geschikt voor glas tot wel 25,52 mm dik en eenvoudig te bevestigen met het Q-disc-system. Het 8430 U-profiel voor zijmontage is ideaal om te monteren tegen een stalen onderzijde of prefab beton. Snel te monteren en in allerlei uitvoeringen te leveren. Het profiel is netjes af werken met de beschikbare Q-railing covers of plaatwerk.
Ontworpen voor: Gemiddeld gebruik
Geschikt voor: Binnen en buiten
Montage: Zijmontage (ook U-profiel zijmontage mogelijk)
Toepassing: Trappen en balustrades
Materiaal: Aluminium (geborsteld geanodiseerd of onbewerkt)
Glasdikte: 16,76 – 25,52 mm
Glasuitlijning: Tot 1,20 ten opzichte van de loodlijn
Opties : Top-covers, U-profielbuis, randbescherming, ankers
Bekijk de Q-railing catalogus voor alle toebehoren, railingen en covers.
De productmanager kan u adviseren over de verschillende mogelijkheden.
Advies op locatie
Neem contact op voor een afspraak
Easy Glass Prime 8430
| Technische informatie | |
| Type: |
Bodemprofiel, Easy Glass Prime, zijmontage, 25µm |
| Materiaal: | Aluminium |
| Oppervlaktebehandeling: |
Geborsteld, geanodiseerd – Ruw |
| Glasopbouw: | Gelamineerd/monolithisch |
| Glasdikte: | 16,76 – 25,52 mm |
| Lengte: | 2500 – 5000 mm |
| Lijnlast: | 0,8 kN/mtr |
| Verpakkingseenheid: | 1 st. |
